Ningbo Richge Technology Co., Ltd.
Ningbo Richge Technology Co., Ltd.
Производи
Производи
Интегриран прекинувач за прекинувач на колони Zn12-12 серија
  • Интегриран прекинувач за прекинувач на колони Zn12-12 серијаИнтегриран прекинувач за прекинувач на колони Zn12-12 серија
  • Интегриран прекинувач за прекинувач на колони Zn12-12 серијаИнтегриран прекинувач за прекинувач на колони Zn12-12 серија

Интегриран прекинувач за прекинувач на колони Zn12-12 серија

Model:ZN12-12
Zn12-12 серија на затворен AC HV вакуумски прекинувач е затворен опрема од три фази AC 50Hz, номинален напон од 12kV, кој ја воведе технологијата од германска компанија. Тој е погоден за област со секаков вид оптоварување и чести работи и може да се користи за заштита и контрола на индустриско и рударство, претпријатие, електроцентрала и електрични објекти за трафостаници. Овој производ е во согласност со поврзаниот услов на стандардите GB1984, JB3855, DL403 и IEC.

Интегриран прекинувач за прекинувач на колони Zn12-12 серија

  Zn12-12 Внатрешен напон на вакуумско коло за вакуумско коло за напојување од 12kV и следниов затворен прекинувач за високо напон, главно инсталиран во фиксен прекинувач, за индустриски и рударски претпријатија, електрани и трафостаници за заштита и контрола на електрични капацитети и е соодветно за кршење на важни оптоварувања и чести работи на местото!

  Прекинувачите на вакуумско коло на серија Zn12 се затворен напон за прекинувач со високи напони со номинални напони од 12kV, 24kV и 40,5kV и трифазен AC 50Hz. Тоа е домашен производ развиен со воведување на германска технологија Сименс 3АФ. Оперативниот механизам на прекинувачот на колото е пролетен вид на складирање на енергија, со кој може да се управува со AC или DC, или рачно. Прекинувачот на колото има едноставна структура, силен капацитет на кршење, долг животен век и целосни функции на работа. И не постои опасност од експлозија, а одржувањето е едноставно. Тој е погоден за прекинувач за контрола или заштита на системите за пренос и дистрибуција на електрична енергија, како што се електрани, трафостаници и индустриски и рударски претпријатија, особено погодно за кршење на важни оптоварувања и чести места за работа. Формата за инсталација на прекинувачот во прекинувачот во кабинетот на прекинувачот може да биде или фиксен тип или прекинувач на кола што може да се повлече од типот.


Предности:

1. Прекинувачот на колото ја донесе проценката на Министерството за машини и Министерството за електрична енергија во 96 -ти август, што значи дека квалитетот е апсолутно загарантиран.

Механизмот за прекинувач на колото е интегриран со прекинувачот, а специјалниот механизам за активирач на активатор за складирање на енергија од пролетта може да се управува со AC и DC Shake Storage или рачно управувано.

Со едноставна структура, силен капацитет на кршење, долг животен век на услуги, целосни функции на работа, без опасност од експлозија и лесно одржување, овој прекинувач на колото е погоден за контролен или заштитен прекинувач на системот за пренос и дистрибуција на електрична енергија, како што се електрана, градска електрична мрежа, трафостаница, итн. Тој е особено погоден за кршење на важни товари и места со чести работи.


Карактеристики:

1. Крајниот капацитет на лакот за гаснење на лакот е голем, сегашниот капацитет за носење е мал, а електричниот живот е долг.

2. Распоредот е од напред до назад, едноставна и компактен структура, целосно работење и лесно одржување.

3. За да се структурира и инсталацијата, тие можат да се поделат на: хоризонтален фиксен тип, склон фиксен тип, среден сет подвижен тип.






Основни информации.



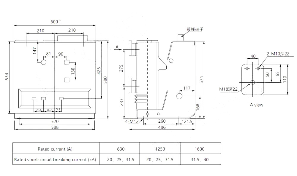
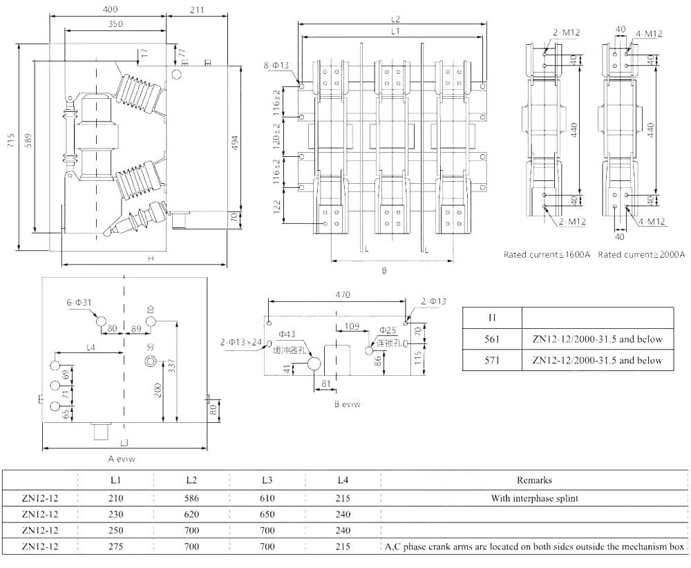
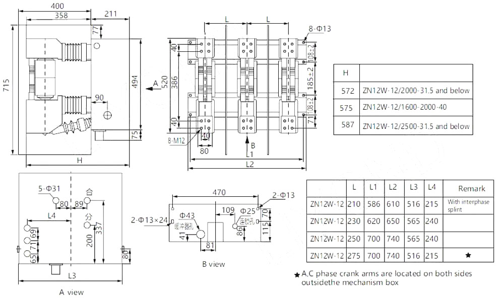
Технички параметри



Технички цртежи


Услови за употреба на Zn12-12 Интегриран прекинувач за прекинувач на колони за прекинувач за прекинувач 1. Надморска височина: ≤1000 m; (Надморска височина на прототипот може да достигне под 4000 метри)

2. Температура на околината: Највисока +40 ° C, најниска -25 ° C;

3. Релативна влажност: дневно просечно не повеќе од 95%, месечен просек не повеќе од 90%;

4. Интензитет на земјотрес: помалку од 8;

5. Инсталирање на животната средина: Нема пожар, опасност од експлозија, без корозивен гас и нема насилно место за вибрации.

6. Ве молиме контактирајте го производителот на прекинувачи на вакуумското коло ако околината за употреба го надминува горенаведеното.




Најчесто поставувани прашања

П: Може ли да имам цени на вашите производи?

О: Добредојдовте. Ве молиме слободно испратете ни Анкета овде. Ние ќе ви одговориме во рок од 24 часа.


П: Може ли да добијам примерок пред нарачката за најголемиот дел?

О: Да, ние ја поздравуваме нарачката за примерок за тестирање и проверка на квалитетот. Поместените примероци се прифатливи.


П: Можеме ли да го отпечатиме нашето лого/ име на компанијата на производи?

О: Да, се разбира, прифаќаме ОЕМ, тогаш треба да ни обезбедиш овластување за бренд за нас


П: Дали прифаќате прилагодување на производот?

О: Да, се разбира, ве молиме, наведете специфични цртежи или параметри, ние ќе ве цитираме по проценката


П: Кое е водечкото време?

О: Времето на олово зависи од нарачаните количини, генерално во рок од 7-20 дена по приемот на исплатата.


П: Кои се вашите трговски термини?

О: Ние прифаќаме EXW, FOB, CIF, FCA, итн.


П: Кој е вашиот начин на плаќање?  

О: Ние прифаќаме T/T, Western Union, PayPal, неотповиклив L/C на повидок, итн.


П: Дали ги прегледувате готовите производи?

О: Да, секој чекор на производство и готови производи ќе излезе инспекција од страна на одделот за КК пред испорака. И ние ќе обезбедиме извештаи за инспекција на стоки за вашата референца пред пратката


П: Како да ги решите проблемите со квалитетот по продажбата?

О: Фотографирајте ги проблемите со квалитетот и испратете ни на нас за нашето проверување и потврдување, ние ќе направиме задоволно решение за вас во рок од 3 дена.




Фабрика


Сертификат




Жешки тагови: Интегриран прекинувач за прекинувачи на колони Zn12-12, интегриран прекинувач за прекинувачи на колони, Кина, производител, снабдувач, фабрика, ниска цена, квалитет, најнова продажба, Напредно
Испрати барање
Контакт Инфо
За прашања за нисконапонски разводни уреди, високонапонски изолатори, високонапонски прекинувач за заземјување или ценовник, ве молиме оставете ни ја вашата е-пошта и ние ќе ве контактираме во рок од 24 часа.
X
We use cookies to offer you a better browsing experience, analyze site traffic and personalize content. By using this site, you agree to our use of cookies. Privacy Policy
Reject Accept